С менеджером можно обсудить
удобную транспортную компанию.
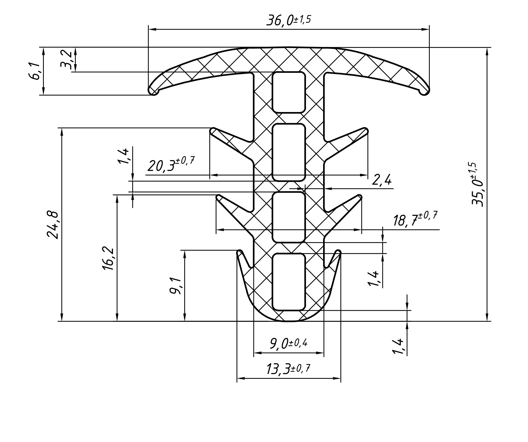
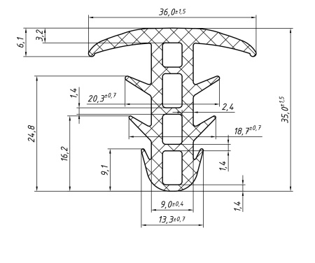
Используется как заменитель сразу трех материалов: монтажная пена, гидроизоляционный герметик или лента, декоративный нащельник.
Цвет уплотнителя можно выбрать по линейке RAL.
Намотка в рулон 27, 30, 36 м.п. Паллет стандартный 32 рулона.
Выполняем изготовление из резины SEBS.
Наша компания 4 года поставляет уплотнитель для модульных зданий на площадке газоперерабатывающего комплекса «Газпром» и «РусГазДобыча» в п. Усть-Луга, Ленинградская область. Качество нашего уплотнителя проверено временем, модульные городки монтирует "Китайская Национальная Химическая Инженерная и Строительная Корпорация Севен" на теретории строительства Газохимического комплекса, за 4 года нареканий на качество уплотнителя не было, китайских партнеров все устраивает.
Наша компания поставляет уплотнитель для стыковки модулей на комбикормовом заводе, территория Кулангинского ХПП по производству рассыпных и гранулированных кормов, Татарстан.
Наша компания поставляет уплотнитель для стыковки блок-контейнеров в модульном офисном городке на площадке АЭС в г. Сосновый Бор, Ленинградская область. Модульный офис нужен для специалистов, которые будут строить два новых атомных реактора.
Наша компания поставляет уплотнитель для стыковки модулей в кинопарк «Москино» в Красной Пахре. Город выделил почти 140 гектаров земли для расширения кинопарка «Москино» в ТиНАО, возводятся съемочные павильоны из модульных блок-контейнеров, ведутся съемки фильмов и сериалов.
Заявку на Уплотнитель для герметизации быстровозводимых модульных зданий можно оформить по телефону +7(963)742-37-37, +7 (911) 290-05-25 или отправить на почту sitiplast2008@yandex.ru, citiplast@yandex.ru
Заявку на Термоэластопласт (ТЭП/SEBS) можно оформить по телефону +7 (911) 290-05-25 , +7(963)742-37-37 или отправить на почту citiplast@yandex.ru
Заявку на уплотнители можно оформить по телефону +7(963)742-37-37, sityplast2008@yandex.ru, +7 (911) 290-05-25 или отправить на почту citiplast@yandex.ru
Заявку на Самоклеящуюся рулонную кровлю можно оформить по телефону +7 (911) 290-05-25 (WhatsApp) или отправить на почту citiplast@yandex.ru
