185 ₽
/пог. м
В корзину
Купить в 1 клик
Доступна доставка по России.
С менеджером можно обсудить
удобную транспортную компанию.
С менеджером можно обсудить
удобную транспортную компанию.
Описание
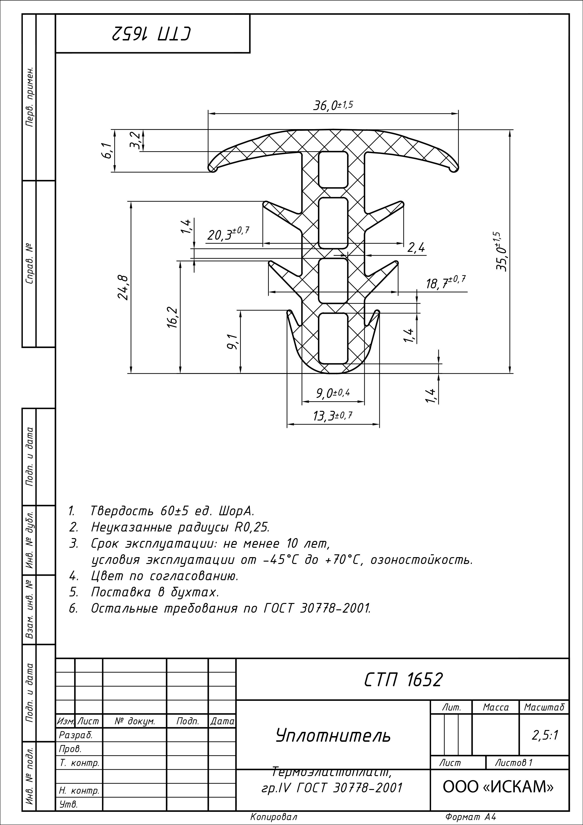
Изготовитель ИСКАМ. Цвет синий ral5003 резина SEBS для герметизации блок-контейнеров при строительстве быстровозводимых модульных зданий. Срок эксплуатации 10-15 лет.
В рулоне 24, 27, 30, 32, 36 п. м.
В рулоне 24, 27, 30, 32, 36 п. м.
Подробности
Характеристики
Материал
—
ТЭП/SEBS
Страна производства
—
Россия
Цена действительна только для интернет-магазина и может отличаться от цен в розничных магазинах
Под заказ. Изготовитель ИСКАМ
Уплотнитель RAL 5003 предназначен для герметизации стыков модульных зданий, блок-контейнеров, быстровозводимых модульных зданий, уплотнения элементов модульных строительных конструкций при возведении вахтовых рабочих поселков; мобильных офисов, гаражей, магазинов; санитарных блоков и других строительных конструкций.
Используется как заменитель сразу трех материалов: монтажная пена, гидроизоляционный герметик или лента, декоративный нащельник.
Цвет уплотнителя можно выбрать по линейке RAL.
Намотка в рулон 30 м.п.
Выполняем изготовление из резины ТЭП.
Уплотнитель RAL 5003 предназначен для герметизации стыков модульных зданий, блок-контейнеров, быстровозводимых модульных зданий, уплотнения элементов модульных строительных конструкций при возведении вахтовых рабочих поселков; мобильных офисов, гаражей, магазинов; санитарных блоков и других строительных конструкций.
Используется как заменитель сразу трех материалов: монтажная пена, гидроизоляционный герметик или лента, декоративный нащельник.
Цвет уплотнителя можно выбрать по линейке RAL.
Намотка в рулон 30 м.п.
Выполняем изготовление из резины ТЭП.
Отзывы
Оставить отзыв
Загрузка отзывов...
<virtues>Яркий цвет оуплотнителя со временем практически не выгорает. Просто монтировать,.</virtues>
<comment></comment>
Статьи
Обзоры товаров
—
24.11.2025
Какие уплотнители использовать для блок контейнеров, как производить монтаж, подробная информация в статьях от СитиПласт.
Заявку на Уплотнитель для герметизации быстровозводимых модульных зданий можно оформить по телефону +7(963)742-37-37, +7 (911) 290-05-25 или отправить на почту sitiplast2008@yandex.ru, citiplast@yandex.ru
Заявку на Уплотнитель для герметизации быстровозводимых модульных зданий можно оформить по телефону +7(963)742-37-37, +7 (911) 290-05-25 или отправить на почту sitiplast2008@yandex.ru, citiplast@yandex.ru
Обзоры товаров
Какие уплотнители использовать, какие варианты уплотнителей подойдут для минусовых температур. Подробности в статьях от СитиПласт.
Заявку на Термоэластопласт (ТЭП/SEBS) можно оформить по телефону +7 (911) 290-05-25 , +7(963)742-37-37 или отправить на почту citiplast@yandex.ru
Заявку на Термоэластопласт (ТЭП/SEBS) можно оформить по телефону +7 (911) 290-05-25 , +7(963)742-37-37 или отправить на почту citiplast@yandex.ru
Обзоры товаров
Как выбрать уплотнитель, какие параметры и эксплуатационные нормы. Подробности в статьях от производителя уплотнителей и резиновых смесей - СитиПласт.
Заявку на уплотнители можно оформить по телефону +7(963)742-37-37, sityplast2008@yandex.ru, +7 (911) 290-05-25 или отправить на почту citiplast@yandex.ru
Заявку на уплотнители можно оформить по телефону +7(963)742-37-37, sityplast2008@yandex.ru, +7 (911) 290-05-25 или отправить на почту citiplast@yandex.ru
Обзоры товаров
—
01.09.2025
Инновационный материалы для кровли, эффективность и цветовая гамма. Как монтировать Самоклеящуюся рулонную кровлю, где применяется. Подробности в статьях от СитиПласт.
Заявку на Самоклеящуюся рулонную кровлю можно оформить по телефону +7 (911) 290-05-25 (WhatsApp) или отправить на почту citiplast@yandex.ru
Заявку на Самоклеящуюся рулонную кровлю можно оформить по телефону +7 (911) 290-05-25 (WhatsApp) или отправить на почту citiplast@yandex.ru
Вам также может понравиться
